Артикул:
SU-G-2.0-2-D8-LV
Под заказ
Нашли дешевле?
Цена действительна только для интернет-магазина и может отличаться от цен в розничных магазинах
Ключевые особенности:
- Повышенная безопасность - цепь с 10-кратным запасом прочности
- Полностью герметичный корпус - высокая степень защиты от внешних воздействий
- Безопасная конструкция - отсутствие острых краев и выступов
- Всепогодное исполнение IP66 - работа в экстремальных условиях
- Европейский стандарт качества - соответствие EN818-7
Общие технические данные:
- Напряжение питания: 220-440 В, 3-фазное
- Высота подъема: ≥10 м (стандартная)
- Степень защиты: IP66 (полная водонепроницаемость)
- Запас прочности цепи: 10:1 (повышенная безопасность)
- Класс изоляции двигателя: F
- Тип передачи: Шевронная многоприводная
- Материал цепи: Легированная сталь 8620D
- Стандарт цепи: EN818-7 (Европейский)
Преимущества:
- Максимальная безопасность:
1) 10-кратный запас прочности цепи - превышение стандартных требований
2) Герметичный корпус - полная защита внутренних механизмов
3) Безопасная эргономика - отсутствие острых краев и опасных выступов
4) Многоуровневая защита - комплекс систем безопасности
- Всепогодная надежность:
1) Степень защиты IP66 - работа под сильным дождем
2) Коррозионностойкий корпус - литой алюминиевый сплав
3) Высокая герметичность - защита от пыли и влаги
4) Устойчивость к агрессивным средам
- Качественная трансмиссия:
1) Шевронные шестерни 6 класса точности - минимальный шум
2) Масляная смазка редуктора - не требует обслуживания
3) Система терморегуляции - увеличенный срок службы
4) Плавная и точная работа - для деликатных операций
- Продвинутые системы защиты:
1) Импортная влажная муфта - защита от перегрузок
2) Электромагнитный тормоз - мгновенная остановка
3) Необслуживаемые компоненты - минимальные затраты на ТО
4) Защита от столкновений - предотвращение аварий
- Эффективный двигатель:
1) Компактный размер - удобство монтажа
2) Высокий пусковой момент - для тяжелых условий
3) Частые циклы работы - подходит для интенсивной эксплуатации
4) Защита от перегрева - опциональное оснащение
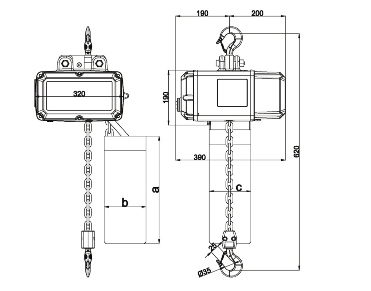
Технические характеристики:
- Грузоподъемность: 2 т
- Скорость подъема: 2 м/мин
- Высота подъёма: 10 м
- Мощность: 1.5 кВт
- Цепь: 7.1x21 мм
- Ветви: 2
- Вес цепи(10 м): 56 кг
- Бренд: Huaige
- Гарантийный срок: 12 месяцев
- Страна производства: Китай
- Повышенная безопасность - цепь с 10-кратным запасом прочности
- Полностью герметичный корпус - высокая степень защиты от внешних воздействий
- Безопасная конструкция - отсутствие острых краев и выступов
- Всепогодное исполнение IP66 - работа в экстремальных условиях
- Европейский стандарт качества - соответствие EN818-7
Общие технические данные:
- Напряжение питания: 220-440 В, 3-фазное
- Высота подъема: ≥10 м (стандартная)
- Степень защиты: IP66 (полная водонепроницаемость)
- Запас прочности цепи: 10:1 (повышенная безопасность)
- Класс изоляции двигателя: F
- Тип передачи: Шевронная многоприводная
- Материал цепи: Легированная сталь 8620D
- Стандарт цепи: EN818-7 (Европейский)
Преимущества:
- Максимальная безопасность:
1) 10-кратный запас прочности цепи - превышение стандартных требований
2) Герметичный корпус - полная защита внутренних механизмов
3) Безопасная эргономика - отсутствие острых краев и опасных выступов
4) Многоуровневая защита - комплекс систем безопасности
- Всепогодная надежность:
1) Степень защиты IP66 - работа под сильным дождем
2) Коррозионностойкий корпус - литой алюминиевый сплав
3) Высокая герметичность - защита от пыли и влаги
4) Устойчивость к агрессивным средам
- Качественная трансмиссия:
1) Шевронные шестерни 6 класса точности - минимальный шум
2) Масляная смазка редуктора - не требует обслуживания
3) Система терморегуляции - увеличенный срок службы
4) Плавная и точная работа - для деликатных операций
- Продвинутые системы защиты:
1) Импортная влажная муфта - защита от перегрузок
2) Электромагнитный тормоз - мгновенная остановка
3) Необслуживаемые компоненты - минимальные затраты на ТО
4) Защита от столкновений - предотвращение аварий
- Эффективный двигатель:
1) Компактный размер - удобство монтажа
2) Высокий пусковой момент - для тяжелых условий
3) Частые циклы работы - подходит для интенсивной эксплуатации
4) Защита от перегрева - опциональное оснащение
Технические характеристики:
- Грузоподъемность: 2 т
- Скорость подъема: 2 м/мин
- Высота подъёма: 10 м
- Мощность: 1.5 кВт
- Цепь: 7.1x21 мм
- Ветви: 2
- Вес цепи(10 м): 56 кг
- Бренд: Huaige
- Гарантийный срок: 12 месяцев
- Страна производства: Китай
Отзывы
Оставить отзыв
Загрузка отзывов...
Рекомендуем
