Артикул:
SU-G-2.0-2-D8-PLUS-LV-2
Под заказ
Нашли дешевле?
Цена действительна только для интернет-магазина и может отличаться от цен в розничных магазинах
Электротельфер SU-G D8 PLUS создан для бесперебойной работы в самых суровых условиях: на открытых площадках, фестивалях, строительных объектах и в промышленных цехах. Благодаря литому алюминиевому корпусу и высочайшей степени защиты IP66, он полностью защищен от сильных струй воды и пыли, устойчив к коррозии и может работать под дождем. Высокоточная передача, импортная муфта и надежный тормоз обеспечивают долговечность и безопасность при интенсивной эксплуатации.
Ключевые особенности:
- Водозащита IP66 - работает под дождем и в условиях повышенной влажности
- Литой алюминиевый корпус - прочный, легкий, коррозионностойкий
- Высокоточные шестерни 6 класса - тихая и плавная работа
- Цепь класса G100 - соответствует европейскому стандарту EN818-7
- Необслуживаемый электромагнитный тормоз - мгновенная остановка при отключении питания
Общие технические данные:
- Напряжение питания: 220-440 В, 3-фазное
- Высота подъема: ≥10 м (стандартная), возможны другие варианты
- Защита: IP66 (полная защита от струй воды и пыли)
- Тормозная система: Электромагнитный тормоз мгновенного действия
- Защита от перегрузки: Импортная влажная фрикционная муфта
- Изоляция двигателя: Класс F
- Стандарт цепи: EN818-7 (Европейский стандарт)
Надежная трансмиссия:
- Шевронные шестерни 6 класса точности
- Масляная смазка, не требующая обслуживания
- Система терморегуляции в редукторе
Безопасность:
- Импортная муфта защищает от перегрузок и столкновений
- Мгновенное срабатывание тормоза при отключении питания
- Цепь высшего качества G100 из стали 8620D
Производительность:
- Компактный двигатель с высоким пусковым моментом
- Подходит для частой непрерывной работы
- Опциональная защита от перегрева двигателя
Технические характеристики:
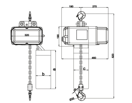
- Грузоподъемность: 2 т
- Скорость подъема: 4 м/мин
- Высота подъёма: 10 м
- Мощность: 2.2 кВт
- Цепь: 9х27 мм
- Вес цепи (10 м): 54 кг
- Бренд: Huaige
- Гарантийный срок: 12 месяцев
- Страна производства: Китай
Ключевые особенности:
- Водозащита IP66 - работает под дождем и в условиях повышенной влажности
- Литой алюминиевый корпус - прочный, легкий, коррозионностойкий
- Высокоточные шестерни 6 класса - тихая и плавная работа
- Цепь класса G100 - соответствует европейскому стандарту EN818-7
- Необслуживаемый электромагнитный тормоз - мгновенная остановка при отключении питания
Общие технические данные:
- Напряжение питания: 220-440 В, 3-фазное
- Высота подъема: ≥10 м (стандартная), возможны другие варианты
- Защита: IP66 (полная защита от струй воды и пыли)
- Тормозная система: Электромагнитный тормоз мгновенного действия
- Защита от перегрузки: Импортная влажная фрикционная муфта
- Изоляция двигателя: Класс F
- Стандарт цепи: EN818-7 (Европейский стандарт)
Надежная трансмиссия:
- Шевронные шестерни 6 класса точности
- Масляная смазка, не требующая обслуживания
- Система терморегуляции в редукторе
Безопасность:
- Импортная муфта защищает от перегрузок и столкновений
- Мгновенное срабатывание тормоза при отключении питания
- Цепь высшего качества G100 из стали 8620D
Производительность:
- Компактный двигатель с высоким пусковым моментом
- Подходит для частой непрерывной работы
- Опциональная защита от перегрева двигателя
Технические характеристики:
- Грузоподъемность: 2 т
- Скорость подъема: 4 м/мин
- Высота подъёма: 10 м
- Мощность: 2.2 кВт
- Цепь: 9х27 мм
- Вес цепи (10 м): 54 кг
- Бренд: Huaige
- Гарантийный срок: 12 месяцев
- Страна производства: Китай
Отзывы
Оставить отзыв
Загрузка отзывов...
Рекомендуем
